G1/4'' 24V DC 5/2-Way Bi-stabiel NAMUR Magneetventiel 1.5-8bar MVSN
5/2-weg pneumatisch magneetventiel van Mindman met G1/4" poorten (binnendraad), Namur 1/4" (VDI/VDE 3845) configuratie, G1/8" uitlaatpoorten en 24V DC spoelen. De klep is bi-stabiel. Indirect gestuurd. Toepassingen zijn onder meer de bediening van een dubbelwerkende cilinder of pneumatische actuator. Werkdruk 2-8 bar. Voor lucht, niet geschikt voor andere media of vacuüm. Met handmatige override controle. Kan worden gemonteerd op verdeelblok met centrale luchttoevoer/ontluchter. Reactietijd 0,038s, Kv-waarde 0,8 Nm3/h (862 Nl/min).
Inclusief spoel en DIN-B connector- Normale prijs
- €40,09
- Normale prijs
- €33,13
Beschrijving
Hoogwaardige pneumatische magneetventiel van Mindman. Deze klep is 5/2 weg en bi-stabiel (2 spoelen). De klep heeft G1/4" poorten (BSPP draad). De spoelspanning is 24V DC en het vermogen is 4,9VA. Let op: de uitlaatpoorten hebben G1/8" schroefdraad, zij zijn kleiner dan de andere poorten. De klep kan alleen worden bediend met perslucht (gefilterd tot 5 μm) die niet hoeft te worden gesmeerd. De bedrijfsdruk is 2 tot 8 bar. Deze klep heeft een Namur-configuratie, waardoor hij rechtstreeks op een pneumatische actuator kan worden gemonteerd zonder slangverbinding. De reactietijd is 0,038 s. Kv waarde 0.8 (862Nl/min). Deze klep is voorzien van een handmatige override.
Een 5/2-wegklep heeft vijf poorten en twee standen. Twee poorten (A en B) sluiten aan op het toestel, bijvoorbeeld een dubbelwerkende cilinder. Een poort wordt gebruikt voor de toevoer van lucht onder druk (poort P), de twee overige poorten zijn uitlaten (poort S en R) en zijn verbonden met respectievelijk poort B en poort A. Door van toestand te veranderen, wordt ofwel poort A onder druk gezet en poort B ontlucht, ofwel poort A ontlucht en poort B onder druk gezet. Als de klep wordt gebruikt om een dubbelwerkende cilinder te besturen, wordt de ene klepstand gebruikt om de cilinder in een richting te bewegen, en de andere stand om de cilinder in de tegenovergestelde richting te bewegen.Deze klep is dubbelwerkend, wat betekent dat de magneetventiel door twee solenoïden wordt bestuurd. De solenoïden zijn pulsgestuurd en kunnen elk een kleptoestand regelen. Als beide solenoïden niet geactiveerd zijn, blijft de klep in de laatste toestand. Daarom is de klep bi-stabiel.
Mindman is een internationale fabrikant van hoogwaardige pneumatische componenten met hoofdproductie in Taiwan. Met een rijke productiegeschiedenis, een zeer breed assortiment en een kostenefficiente productie van hoogwaardige producten zijn zij een van de echte marktleiders in de pneumatiekindustrie.
Belangrijkste voordelen
- Lage stromingsweerstand (Kv=0.8m3/h)
- Snelle en betrouwbare werking
- Lange levensduur (12.000.000+ cycli)
- Laag energieverbruik (4,9VA)
- Onderhoudsvrij ontwerp
- Spoel kan in vier richtingen worden geïnstalleerd (4 x 90°)
- Ontworpen voor montage in spruitstuk
Belangrijke opmerkingen
- Alleen voor (schone) lucht, niet voor andere media of vacuüm.
- Minimale druk van 2 bar vereist voor goede werking (stuurventiel).
- Zet geen spanning op de spoel wanneer de spoel uit de klep is verwijderd om doorbranden te voorkomen.
- Overschrijd nooit de limieten van de kleppen (druk, temperatuur, spanning, media, enz.).
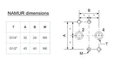
Namur configuratie
Namur (VDI/VDE 3845) definieert een standaardinterface tussen pneumatische richtkleppen en actuatoren. De magneetventiel heeft twee O-ringen om een lekdichte verbinding tussen de klep en de actuator tot stand te brengen. Het magneetventiel kan 180 graden worden gedraaid, dit bepaalt of de actuator onder druk staat of ontlucht wordt wanneer het magneetventiel wordt geactiveerd. De onderstaande illustratie toont de afmetingen van de aansluiting voor zowel G1/4" als G1/2".
In de doos
- Magneetventiel (type MVSN-220-4E2-8A-DC24)



