Festo 3/2 NC Monostabiele Controleblok G1/4 1050l/min 3 - 10bar/44 - 145psi - 574011
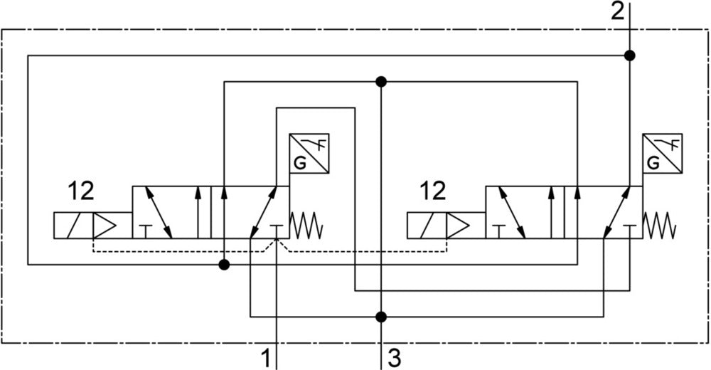
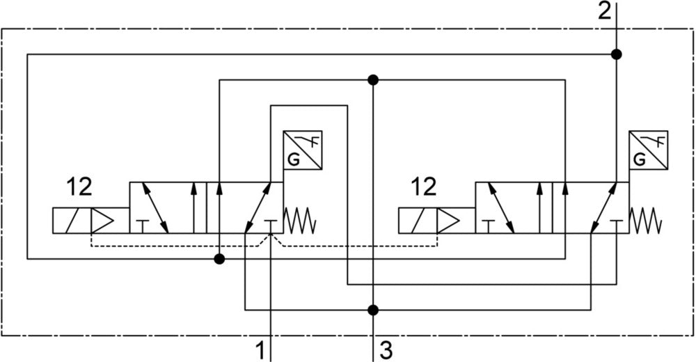
Het VOFA controleblok is een robuust, mechanisch 3/2 ventiel ontworpen voor industriële veiligheidsapplicaties. Het heeft een gesloten, monostabiele configuratie met een standaard nominale debiet van 1050 l/min en werkt bij een druk van 3-10 bar. De G1/4 pneumatische aansluiting zorgt voor compatibiliteit met standaard systemen. Ideaal voor gebruik als persveiligheidsventiel dat voldoet aan ISO 16092-4 en de EU-machinerichtlijn 2006/42/EG, biedt dit controleblok een redundante bouwvorm voor veilige omkering van gevaarlijke bewegingen of ontluchting van pneumatische aandrijvingen in kritische industriële processen.
- Normale prijs
- €899,09
- Normale prijs
- €743,05
Beschrijving
Het VOFA controleblok is een robuust, mechanisch 3/2 ventiel ontworpen voor industriële veiligheidsapplicaties. Het heeft een gesloten, monostabiele configuratie met een standaard nominale debiet van 1050 l/min en werkt bij een druk van 3-10 bar. De G1/4 pneumatische aansluiting zorgt voor compatibiliteit met standaard systemen. Ideaal voor gebruik als persveiligheidsventiel dat voldoet aan ISO 16092-4 en de EU-machinerichtlijn 2006/42/EG, biedt dit controleblok een redundante bouwvorm voor veilige omkering van gevaarlijke bewegingen of ontluchting van pneumatische aandrijvingen in kritische industriële processen.



