Eaton Multifunctionele Tijdrelais 400VAC 0.05s-100h - 031887
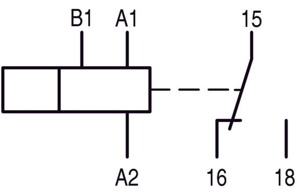
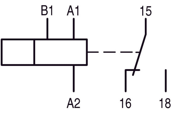
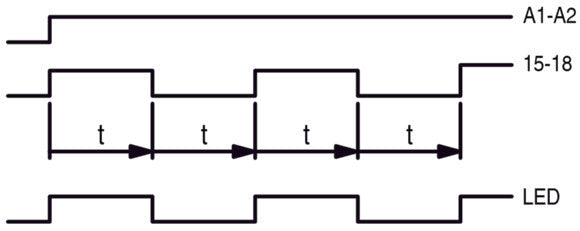
Industriële elektronische tijdrelais ontworpen volgens de IEC/EN 61812-1 en VDE 0435 normen. Beschikt over een compact profiel van 22,5 mm breed met compatibiliteit voor din-railbevestiging. Biedt een uitgebreide tijdsrange van 0,05s tot 100h met een mechanische levensduur van 30 miljoen cycli. Werkt op 400VAC met multifunctionele mogelijkheden en flexibele bevestigingsoriëntatie.
- Normale prijs
- €197,65
- Normale prijs
- €163,35
Beschrijving
Industriële elektronische tijdrelais ontworpen volgens de IEC/EN 61812-1 en VDE 0435 normen. Beschikt over een compact profiel van 22,5 mm breed met compatibiliteit voor din-railbevestiging. Biedt een uitgebreide tijdsrange van 0,05s tot 100h met een mechanische levensduur van 30 miljoen cycli. Werkt op 400VAC met multifunctionele mogelijkheden en flexibele bevestigingsoriëntatie.
Voordelen:
- Uitgebreide tijdsrange van 0,05s tot 100h
- 30 miljoen cycli mechanische levensduur
- Compacte 22,5 mm breedte voor ruimte-efficiënte installatie
- Flexibele bevestigingsoriëntatie mogelijkheden



