Drukregelaar G1/2'' 8700l/min 0.5-10.0bar/7-145psi Zinkspuitgietcilinder Vergrendeling Multifix 2
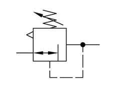
Deze G 1/2 inch pneumatische drukregelaar regelt de uitgangsdruk op een vast, stabiel niveau, zelfs wanneer de ingangsdruk varieert. Het instelbare uitgangsdrukbereik is 0,5 tot 10,0 bar. De regulator is zelfregulerend. Inclusief een manometer. Het maximale debiet is 8700 l/min (gebruik altijd de debiettabel voor de juiste dimensionering). Geschikt voor een maximaal ingangsvermogen van 16,0 bar en temperaturen tussen -10 en 60 °C. Om de uitgangsdruk in te stellen, trekt u het handwiel omhoog en draait u het. Vergrendel door het wiel terug te duwen.
- Normale prijs
- €154,14
- Normale prijs
- €127,39
Beschrijving
De drukregelaar past de druk continu aan tot een stabiel niveau, zelfs wanneer de ingangsdruk varieert. Het niveau kan worden ingesteld tussen 0,5 en 10,0 bar. Dit model heeft G 1/2 inch poorten. Het maximale debiet is 8700 l/min. Houd er rekening mee dat het maximale debiet alleen niet voldoende informatie geeft voor een juiste dimensionering. Gebruik de debietcurve om te bepalen of de drukval binnen uw verwachte debietbereik aanvaardbaar is. De debietcurve toont het debiet voor een ingestelde ingangsdruk met meerdere uitgangsdrukken. Voor elke uitgangsdruk is te zien hoe de druk verandert naarmate het debiet toeneemt. Aanbevolen wordt het apparaat te gebruiken in het vlakke bereik van de curve, en niet aan het begin of het einde van de curve. Merk op dat de drukregelaar de uitgangsdruk regelt, niet het debiet. De uitgangsdruk kan worden aangepast door het handwiel omhoog te trekken en te draaien. Het kan na afstelling worden vergrendeld door het handwiel weer in te drukken.
De maximale ingangsdruk bedraagt 16,0 bar en het temperatuurbereik ligt tussen -10 en 60 °C. Er is een ingebouwde overdrukklep aan de uitlaatzijde wanneer de ingestelde druk wordt overschreden. De behuizing is gemaakt van gegoten zink. De drukregelaar kan worden afgesloten met een cilinderslot.
Montagebeugels moeten apart worden besteld.



