DN65 (2-1/2 inch) 230VAC Wafer Elektrische Vlinderklep RVS-RVS-EPDM - BFLW
Deze elektrisch aangedreven vlinderklep met een wafer type flens heeft een doorlaat van 65 mm (2-1/2 inch). De actuator is geschikt voor voedingen van 100 tot 240 volt wisselspanning. De actuator is IP67 gecertificeerd en beschikt over een handmatige noodbediening. De vlinderklep is geschikt voor media temperaturen tussen de -10°C en 110°C en een maximale druk van 16 bar.
- Normale prijs
- €1.304,88
- Normale prijs
- €1.078,41
Beschrijving
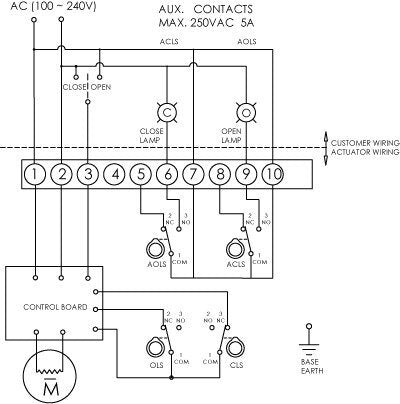
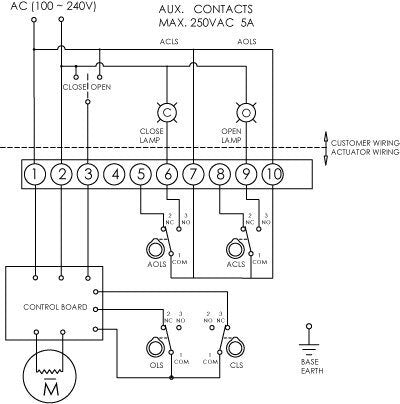
Deze elektrisch gestuurde vlinderklep is een robuuste en duurzame oplossing voor aan/uit-regeling op afstand. De vlinderklep heeft een roestvrijstalen behuizing, een roestvrijstalen schijf en een EPDM-afdichting. De actuator werkt op 100 tot 240 volt AC en genereert een openingskoppel van 40 Nm om de klep in 8 seconden van 0-90 graden te draaien. Nominale stroom tijdens bedrijf is 0,1 ampère (piekstroom 0,2 A). De klep heeft een 3-punts besturing: naast de twee contacten voor de stroomvoorziening (plus en min) is er een signaal voor openen (min) en een signaal voor sluiten (min). De vlinderklep heeft een flens van het wafertype voor aansluiting op het leidingwerk, een nominale diameter van DN 65 (2-1/2 inch) en is geschikt voor maximaal 16 bar voor niet-gevaarlijke vloeistoffen. Let op: de maximumdruk kan afwijken afhankelijk van het mediumtype, dus controleer zorgvuldig het gegevensblad. De vlinderklep heeft een RVS schijf, waardoor hij geschikt is voor toepassingen met water, schurende media of voedingsmiddelen. De EPDM-afdichting in de klep maakt een temperatuurbereik van -10°C tot 110°C mogelijk. De actuator heeft een robuuste, compacte roestvrijstalen behuizing (met poedercoating) en is bestand tegen stof en vocht (IP67 gecertificeerd), op voorwaarde dat een kabel met de juiste afmetingen correct wordt geïnstalleerd. De actuator heeft een manuele override functie en heeft een positie-indicator aan de bovenkant. De aandrijving wordt op de vlinderklep gemonteerd via de ISO 5211 F05 flens (11 mm).
Voordelen:
- Geen gevaar voor waterslag door trage sluiting (7 s)
- De onderdelen zijn onderling verwisselbaar en kunnen indien nodig afzonderlijk worden vervangen
- Hij verbruikt alleen energie tijdens de beweging en niet om hem open of dicht te houden.
- Hoge Kv-waarde omdat de vloeistof in een rechte lijn stroomt
- Hij heeft een kleine constructielengte voor een DN 65 (2-1/2 inch) diameter in vergelijking met een kogelkraan met dezelfde diameter
- Hij kan worden gebruikt voor een breed scala van vloeistoffen en gassen
- Geschikt voor viskeuze media
Nadelen:
- Als de stroom uitvalt, kan hij niet op afstand worden bediend. Er is echter een handmatige override
- In vergelijking met kogelkranen heeft de klep geen volledig onbelemmerd stromingstraject door de schijf
- Klep uitsluitend geschikt voor installatie tussen waferflenzen (niet geschikt voor gebruik als end-of-line klep)
BFL - AG serie
BFL
De vlinderkleppen van de BFL-serie zijn een uitstekende kosteneffectieve oplossing voor aan/uit-bediening en modulatie van het debiet. Ze worden manueel bediend met een knijphendel met vergrendeling of een handbediend tandwiel. Geschikt voor drukken van 4 - 16 bar, afhankelijk van de diameter (25 - 300 mm), media, en materiaalcombinatie. Verwijder de knijphendel of het handwiel om een ISO 5211 flens te maken (maat F05 tot F12). Heeft een korte inbouwlengte in verhouding tot de diameter en kan worden geïnstalleerd met een lug-type flens of een wafer-type flens, afhankelijk van het gekozen ventielhuis. Deze vlinderkleppen hebben een groot aantal opties aan behuizings-, schijf- en afdichtingsmaterialen. Zij kunnen worden gebruikt voor zowel vloeistoffen als gassen in toepassingen met een groot temperatuurbereik. Sommige modellen kunnen ook voor drinkwater worden gebruikt (DVGW-goedkeuring).
AG
Met de AG kwartslag (90⁰) elektrische actuators kunt u vlinder- of kogelkranen met elektriciteit bedienen. Ze zijn gemakkelijk te installeren en te bedraden, zodat ze snel in uw automatiseringssysteem kunnen worden geïntegreerd. Zij hebben een ISO-5211 flens van het type F03, F04, of F05 met een asvierkant van 14mm. Het maximumkoppel is 40 Nm (opent in 8 seconden) of een kleinere die 20 Nm produceert (opent in 4 seconden) en ze kunnen werken op een breed scala van beschikbare spanningen. Ze hebben een compacte aluminium behuizing (met poedercoating) en zijn IP67. Ze hebben een override functie en een positie-indicator bovenaan om de klepstand aan te geven.
Reserveonderdelen
Hieronder vindt u een lijst met reserveonderdelen voor dit product, mochten die nodig zijn. Gebruik het SKU-nummer in onze zoekbalk om het juiste onderdeel te vinden.Vlinderklep BFLW-65-16-CBA
Aandrijving: AG-040-A
Let op: Dit product wordt in afzonderlijke delen geleverd, maar met de vereiste montagetoebehoren.



