DN50 (2 Inch) 120VAC Wafer Elektrische Vlinderklep RVS-RVS-EPDM - BFLW
Deze elektrisch aangedreven vlinderklep met een wafer type flens heeft een doorlaat van 50 mm (2 inch). De actuator is geschikt voor voedingen van 100 tot 240 volt wisselspanning. De actuator is IP67 gecertificeerd en beschikt over een handmatige noodbediening. De vlinderklep is geschikt voor media temperaturen tussen de -10°C en 110°C en een maximale druk van 16 bar.
- Normale prijs
- €1.120,39
- Normale prijs
- €925,94
Beschrijving
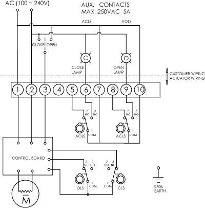
Deze elektrisch aangedreven vlinderklep met een wafer type flens maakt het mogelijk uw processen te automatiseren. De vlinderklep heeft een diameter van DN 50 (2 inch) en bestaat uit een rvs behuizing, rvs schijf en een EPDM afdichting. Is geschikt voor vloeistoffen en gassen van -10°C tot 110°C en een maximale druk van 16 bar. De rvs behuizing maakt deze klep geschikt voor toepassingen in een agressieve omgeving. De schijf van roestvrij staal maakt deze klep ook geschikt voor toepassingen met water, schurende media of voedselproducten. De actuator heeft een stevige, compacte aluminium behuizing (gepoedercoat) en is bestand tegen stof en vocht (IP67 gecertificeerd), mits een goed passende kabel correct wordt aangesloten. De actuator levert maximal 40 Nm Koppel en draait de vlinderklep 90 graden in 7 seconden. Geschikt voor voedingen van 100 tot 240 volt wisselspanning (50/60Hz). Nominaal stroomverbuik tijdens draaien is 0.1 ampère (piekstroom 0.2A) . De aansturing is 3-punts: naast de twee voedingscontacten (plus en min) is er één stuursignaal voor openen (min) en één stuursignaal voor sluiten (min). Een positie indicator aan de bovenzijde geeft de stand van de actuator weer en is duidelijk zichtbaar vanuit verschillende richtingen. Het apparaat is voorzien van een handmatige noodbediening en van twee extra eindschakelaars voor stand-terugmelding. De actuator wordt op de vlinderklep gemonteerd via de ISO 5211 F05 flens (11 mm).
Voordelen:
- Geen kans op waterslag door de langzame sluiting
- De componenten zijn uitwisselbaar en kunnen indien nodig afzonderlijk worden vervangen
- Na het bereiken van de eindschakelaars wordt de motor uitgeschakeld en wordt er vrijwel geen energie verbruikt
- Hoge Kv-waarde doordat de vloeistof zich recht door de klep kan bewegen.
- Deze vlinderklep heeft een smalle constructielengte vergeleken met een kogelkraan met dezelfde nominale doorlaat
- Kan toegepast worden voor een breed scala aan vloeistoffen en gassen dankzij de hoogwaardige constructiematerialen
- Geschikt voor viskeuze media
Nadelen:
- Bij stroomuitval zal de actuator in zijn huidige stand blijven staan en niet terugkeren naar de beginstand. Echter kan met behulp van de handmatige noodbediening de vlinderklep alsnog gesloten/geopend worden
- De schijf komt in contact met het medium wat zorgt voor een hogere stromingsweerstand in vergelijking met een kogelkraan
- Kan enkel gemonteerd worden met een wafer type flens en kan niet op het einde van een pijpleiding gemonteerd worden
BFL - AG serie
BFL
De BFL serie wordt gekenmerkt door de grote nominale doorlaat en een duurzaam ontwerp. Deze afsluiters zijn handmatig te bedienen met een knijphendel of een handwiel. Door deze te verwijderen, is het mogelijk een actuator te monteren volgens de ISO 5211 standaard (F05 tot F12). De klep is geschikt tot een maximale druk van 4 bar tot 16 bar, afhankelijk van de diameter (25 - 300 mm), de media en de combinatie van materialen. De BFL vlinderkleppen hebben een smalle constructie lengte en worden geïnstalleerd met een lug- of wafer-type flens. Er zijn veel verschillende combinaties van materialen mogelijk, wat zorgt dat er voor elk medium een geschikte vlinderklep beschikbaar is. De meeste kleppen uit de BFL serie zijn zowel geschikt voor gassen als voor vloeistoffen. Ook zijn er modellen beschikbaar die toegepast kunnen worden in applicaties met drinkwater (DVGW keurmerk).
AG
Actuatoren uit de AG-serie maken het mogelijk vlinderkleppen of kogelkranen van verschillende materialen elektrisch aan te sturen (0-90⁰). De actuator kan worden gemonteerd op kleppen met ISO-5211 flens, maat F03, F04 of F05. Eenvoudig aan te sluiten op het vaak al bestaande electriciteits netwerk. De aansturing is 3-punts: naast de twee voedingscontacten is er één stuursignaal voor openen en één stuursignaal voor sluiten. Verkrijgbaar in 40Nm (opent in 7 seconden) of in de 20Nm (opent in 4 seconden) uitvoering. Afhankelijk van het type model is de actuator geschikt voor verschillende voltages: 12volt (model-C), 24volt (model-B) of 100-240v (model-A). De actuator heeft een stevige, compacte aluminium behuizing (gepoedercoat) en is bestand tegen stof en vocht, mits een goed passende kabel correct wordt aangesloten. Een positie indicator aan de bovenzijde geeft de stand van de actuator weer en is duidelijk zichtbaar vanuit verschillende richtingen. Het apparaat is voorzien van een handmatige noodbediening.
Losse componenten
Hieronder vindt u een lijst met de losse onderdelen waaruit deze set bestaat. Gebruik het artikelnummer in onze zoekbalk om het juiste onderdeel te vinden.Vlinderklep: BFLW-50-16-CBA
Actuator: AG-040-A
Let op: Dit product wordt in losse componenten geleverd. Benodigde bouten en revetjes worden meegeleverd.



